Microwave Coaxial Connectors Jack (Female), Plug (Male) up to 65 Ghz
Stripline, Microstrip coaxial connectors Male, Female, Flange, Thread-in
RF Coaxial Connectors Square or Long Flange SMA, 2.92mm, 2.4mm, 1.85mm, N, TNC
 
SMA
Female-550
Male-551
DC-27 Ghz
 
2.92mm
Female-360
Male-361
DC-40 Ghz
 
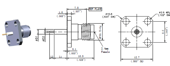
2.4mm
Female-370
Male-371
DC-50 Ghz
 
1.85mm
Female-380
Male-381
DC-65 Ghz
 
N
Female-340
Male-341
DC-18 Ghz
 
TNC
Female-540
Male-541
DC-18 Ghz
 
Outlines
Flange
Dimensions
--
 
Pin
Accessories
--
--
 
2.92mm connectors are the same as the K connectors
1.85mm connectors are the same as the V connectors
2.92mm connectors mate with SMA connectors
2.4mm connectors mate with 1.85mm connectors
	- Specifications:
- Impedance= 50 ohms
- Frequency= DC-50 Ghz
- VSWR DC-50 Ghz= 1.15:1 max
- Contact Resistance: Center pin less than 3.0 mohms
- Contact Resistance: Housing less than 2 .0 ohms
- Insulation Resistance greater than 3000 Mohms
- Dielectric Withstanding Voltage= 750 V
- Durability = 500 cycles
- Temperature Range= -55 C - +165 C
- Interfaces: PER IEEE STD 287-2007
-  
- Material / Finish
- Housing: Stainless Steel SU303 Polished / Passivated
- Center Condact: Beryllium Copper Gold plated (MIL-G-45204)
- Insulators: PEI or PTFE & PEI
 
	
		
			| Request a Quote for a Quick Delivery! | 
		
			|  | 
		
			|  | 
		
			| 
 | 
		
			| 2.4mm Coaxial Connectors Female | 
		
			| 
 | 
	
Scroll bottom of the page to see STOCK items, if non in Stock Request a Quote for a Quick Delivery.
2.4mm Coaxial Connectors Male
2.4mm Coaxial Connectors Female with Extended Teflon Pin